EN-FAB designs and builds efficient Chemical Injection Packages for oil and gas applications. With over 35 years of experience in engineering packages for on and offshore production , floating liquefied natural gas (FLNG) vessels, and production, storage and offloading (FPSO) vessels.
Within a range of available EOR methods, the injection of chemicals (chemical EOR) is among the most attractive because of the significant amount of additional oil that can be produced by their use.

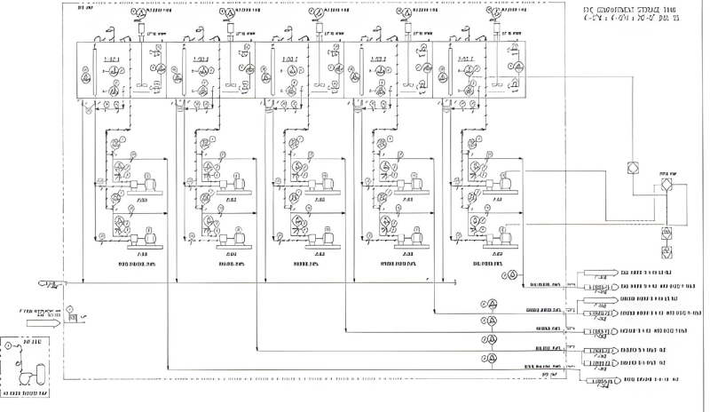
Chemical injection packages are commonly used in production facilities in the oil & gas industry. They prevent a wide range of problems that might negatively affect the production low and/or process completion. EN-FAB designs and supplies chemical injection systems for a wide range of applications, including oil and gas production and waterflood treatment systems.

Typically a water flood system consists of a filter, deaerator, etc. which utilize the following chemical feeds:
- Polyelectrolyte: This is used as a coagulant aid which unites small suspended solids (which would normally escape filter media into effluent) into bigger particles facilitating their capture by filter media.
- Biocide: Is used to kill the bugs in the water. Normally a shock treatment of 3-4 hours at 400-500 ppm is given per week to the water flood system at the filter inlet.
- Chlorine: is continually fed to kill certain bacteria and stop the growth of algae.
- Corrosion inhibitor: Prevents corrosion of piping and equipment.
- Scale inhibitor: Prevents scaling in the piping and equipment, etc.
- Oxygen Scavenger: Removes dissolved oxygen in water. Dosage of oxygen scavenger depends on the level of dissolved oxygen in the water which depends on the water temperature. For every part of dissolved oxygen, normally 6-10 ppm of oxygen scavenger is being used i.e. hydrazine, sodium sulfite ammonium bisulfate, etc.


